HomeBureau d’études électriqueLes schémas électriques

Les schémas électriques

Schémas Électriques : De l’Idée à la Réalisation

Les schémas électriques sont des représentations graphiques utilisées pour illustrer les circuits électriques d’un bâtiment, d’une machine ou d’un équipement. Ils sont essentiels pour concevoir, installer, et maintenir les systèmes électriques de manière sécurisée et efficace. Les principaux types de schémas électriques incluent le schéma unifilaire, le schéma multifilaire, et le schéma de câblage.

En somme, les schémas électriques sont des outils essentiels pour tout projet électrique, facilitant la planification, l’installation et la maintenance des systèmes électriques de manière efficace et sécurisée.

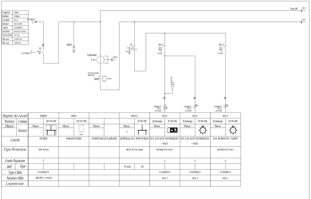
Schéma unifilaire

Ce type de schéma simplifié représente les connexions électriques principales d’un système. Il utilise une seule ligne pour montrer le parcours du courant, même si plusieurs fils sont impliqués dans la réalité. Le schéma unifilaire est utilisé pour fournir une vue d’ensemble du réseau électrique, notamment dans les installations complexes. Il illustre les principaux composants, tels que les disjoncteurs, les transformateurs, et les tableaux électriques, ainsi que les relations entre eux.

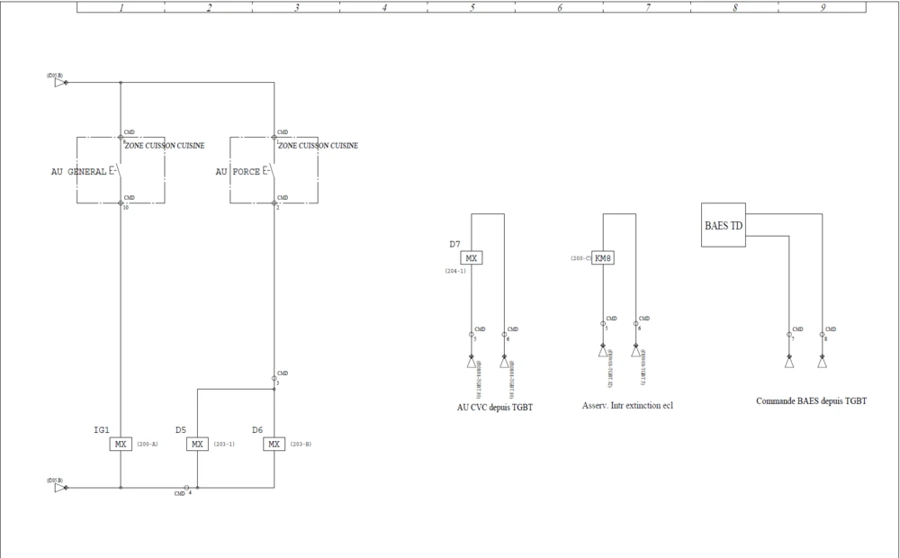
Schéma multifilaire

Contrairement au schéma unifilaire, le schéma multifilaire représente chaque conducteur individuellement. Il est plus détaillé et montre comment les fils sont connectés à chaque composant du circuit. Ce type de schéma est crucial pour les électriciens sur le terrain, car il leur permet de comprendre précisément comment les câbles doivent être connectés. Il est souvent utilisé lors de l’installation et des réparations.

Schéma de câblage

Ce schéma montre l’agencement physique des câbles et des composants dans l’espace. Il peut inclure des informations sur l’emplacement des prises, interrupteurs, appareils, et chemins de câbles. Le schéma de câblage est utile pour la mise en œuvre sur le terrain, car il permet de visualiser comment les éléments électriques sont disposés dans le bâtiment.

Symboles électriques

Tous les schémas électriques utilisent des symboles normalisés pour représenter les différents composants, tels que les résistances, interrupteurs, moteurs, et prises. La maîtrise de ces symboles est essentielle pour lire et créer des schémas électriques.

Importance des schémas électriques

Les schémas électriques sont indispensables pour assurer une installation conforme aux normes, pour diagnostiquer les problèmes et pour planifier des modifications ou des extensions du système électrique.